在光伏發電系統中,我們常常會遇到這些問題:一到下雨天,并網漏電流開關就跳閘,天氣轉晴時又自動正常,怎么查都找不到問題點。其實這個事情和組件逆變器等設備沒有關系,主要原因是非隔離型光伏系統引起的。
太陽能發電系統中,光伏組件與地之間存在一個對地寄生電容,在潮濕環境或者雨天時,該寄生電容會變大。寄生電容與光伏發電輸出電網系統形成共模回路,對地寄生電容能夠與并網逆變器中的濾波元件和電網阻抗形成諧振通路,當共模電流的頻率到達諧振回路的諧振頻率點時,電路中會出現大的漏電流,該共模電流在增加了系統損耗的同時,還會影響逆變器的正常工作,并向電網注入大量諧波,帶來安全問題;當系統檢測漏電流過大時,逆變器就會停止工作。

非隔離型光伏并網逆變器對地漏電流原理圖
在硅基薄膜組件光伏發電系統中,為了防止組件導電層TCO腐蝕,組件負極必須接地,為防止對地共模電壓超過系統電壓且抑制光伏方陣電池板的對地分布電容對逆變器控制電路的共模干擾,所以必須采用變壓器隔離進行逆變并網。
出于以上考慮,越來越多的應用場合要求光伏并網逆變器實現電氣隔離。隔離型光伏并網逆變器有效地提高了光伏側的電氣安全性,消除了光伏并網系統中的共模電流問題。根據變壓器的工作頻率,隔離型光伏并網逆變器可以分為工頻隔離型和高頻隔離型。
工頻隔離型光伏并網逆變器是目前光伏發電系統中最為常用的結構。其拓撲結構是在非隔離型并網逆變器的基礎上,在電網側加入工頻變壓器,其重量約占整個光伏并網逆變器總重量的50%左右,這成為了逆變器減小系統體積、提高功率密度的一大障礙,另外,工頻變壓器也給逆變器產生了較大的損耗,增加了發電系統的成本和運輸、安裝的難度。
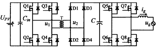
在電壓和電流一定的情況下,變壓器的原副邊繞組匝數和工作頻率是反比關系,鐵芯截面積和工作頻率也是反比關系。變壓器的工作頻率越高,變壓器原邊和副邊的繞組匝數就會相應地減少,其所需的面積也會減小,從而可以選擇較小體積的鐵芯。因此,提高變壓器的工作頻率成為了減小體積和重量的有效方法。高頻隔離變壓器具有質量輕,體積小等優點,高頻隔離光伏并網逆變器,其電路結構如圖所示。光伏陣列發出的直流電被輸入側的全橋逆變器翻轉成為高頻脈寬的交流脈沖電壓,通過高頻變壓器進行隔離傳輸。高頻脈沖電壓到達變壓器副邊后,經二極管整流橋將負半周脈沖電壓反向,整流成為直流電,再經中間直流側的大電解電容進行濾波,形成穩定的中間側直流電壓。最后經過輸出側的后級全橋逆變器逆變成為交流電,并入電網。

高頻隔離光伏逆變器拓撲結構圖
盡管高頻隔離型逆變器有很多優點,但由于增加了DC/AC逆變,高頻變壓器,AC/DC整流三級拓撲結構,使得電氣結構復雜,元器件多,技術難度非常大,如果設計得不好,會造成系統可靠性差,還有效率低下,成本高,體積大,重量重等缺點,因而很多廠家望而止步。深圳古瑞瓦特經過多年潛心研究,開發出3款高頻隔離并網逆變器,型號為Growatt2000HF,Growatt3000HF,Growatt5000HF,通過加入軟開關電路,使用低功耗開關管,提高開關頻率,采用優質磁性材料等一系列改進措施,逆變器在性能和效率方面都有很大提升,和非隔離的逆變器對比,古瑞瓦特這3款逆變器體積和重量都相差不大,最高效率可達96.5%,同工頻隔離的逆變器對比,體積減小30%以上,重量減少40%,效率提高5%。

古瑞瓦特的高頻隔離逆變器,光伏輸入端負極直接和大地相連接,對于預防薄膜組件的導電層TCO腐蝕和晶硅組件PID,效果非常明顯,目前廣泛安裝在有負極接地要求的光伏系統上,如漢能的硅基薄膜組件系統,以及安裝在潮濕環境有抗PID要求的晶硅組件系統,目前全球安裝量達3萬套,位居首位,遠遠超過第二名。從運行的情況上看,逆變器性能非常穩定,發電量高,對薄膜組件的TCO腐蝕及晶硅組件的PID抑制效果很顯著,組件的衰減很少。



深圳古瑞瓦特新能源股份有限公司成立于2010年5月,注冊資本一億元,是一家專注于太陽能逆變器、儲能逆變器及其監控系統等新能源設備的研發、生產、銷售和服務的國家高新技術企業。公司一直致力于做世界一流的新能源解決方案供應商,為全人類服務。自成立至今,古瑞瓦特逆變器全球累計出貨量已超過3.5GW,海外出口到歐、美、澳、亞、非、拉六大洲近80個國家及地區,并連續四年盤踞中國同行業出口第一的位置,是以“高發電、高收益、高智能”著稱的世界領先逆變系統供應商。





