詳情如下:
關于統一光伏復合材料邊框結構尺寸的倡議
光伏復合材料邊框因其優異的物理性能、低碳屬性以及成本優勢,得到了用戶和組件廠越來越廣泛的認可。然而,在光伏復合材料邊框產業發展初期,由于多重原因,導致產品結構尺寸差異化明顯,致使組件廠在應用過程中增加了生產線調整和供應商管理的難度;另外,安裝方式與金屬邊框的差異也導致用戶和建設單位接受困難。上述因素是導致產業推廣較慢的主要原因之一,也是產業發展初期復合材料邊框企業無序競爭的主要根源。
中國玻璃纖維工業協會光伏用玻纖制品研發推廣工作組(簡稱“工作組”)為保證行業產業的健康有序發展,立足解決行業發展的痛點、難點,對用戶、組件廠、建設單位以及復合材料邊框企業進行了大量的調研,旨在快速推動產業規模化發展進程。現將調研情況以及推薦統一光伏復合材料邊框結構尺寸情況進行公示,望業內企業積極響應。
一、調研情況
我協會工作組于5月12日在江蘇淮安漣水召開“第三屆光伏用玻纖增強復合材料產業發展大會”,應廣大光伏邊框企業要求,在會議期間組織召開“光伏用玻纖增強復合材料制品高質量發展”閉門研討會,研討會共有23家企業參加,重點討論了影響產業高質量發展的因素,其中90%以上的企業表示邊框尺寸的不統一是導致產業推廣困難的直接因素。5月20日左右,工作組對全行業30家復合材料邊框企業發出“復合材料光伏邊框產品結構及安裝形式調研”的通知。此次調研,共收回22家企業相關信息。6月14日,工作組參加上海SNEC展期間,共召集16家邊框企業詳細討論了邊框結構尺寸。同時,匯報了結構尺寸和安裝方式調研情況、數據統計和分析情況等,研討初步確定兩種結構形式及相關關鍵尺寸。
展會期間及展會后,工作組分別和隆基、晶澳、陽光電源、一道新能、協鑫新能源、晶科、中能建、中電建、國電投等企業相關人員進行了交流和研討,組件廠和建設單位、用戶幾乎一致認為統一結構尺寸的必要性,無論是對供應鏈安全、生產線成本控制、安裝習慣還是產品質量控制等都是有益的。同時,組件廠對于光伏邊框企業的質量控制和管理也提出了系列要求,希望企業的質量控制能力不斷提高,行業得以持續健康發展。
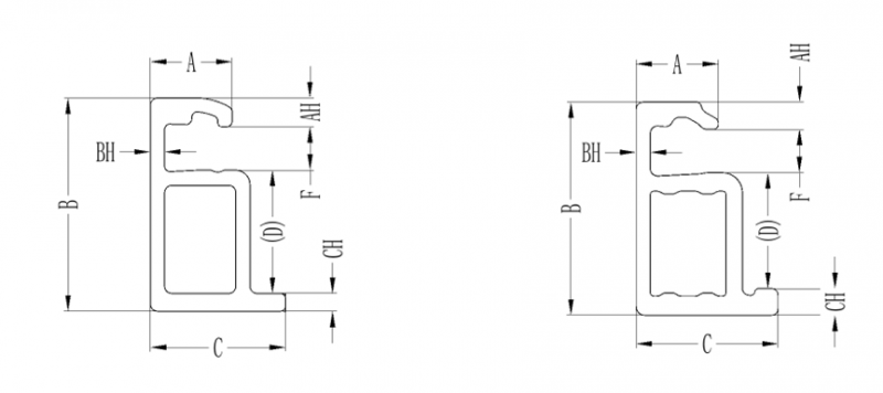
二、推薦統一產品結構
經過行業相關企業技術人員的研討和協商,確定了兩個主要結構形式,并對產品關鍵尺寸做了初步統一規定。
推薦產品結構形式如下圖1;關鍵尺寸見表1。

圖1:兩種推薦復合材料邊框結構形式

表1:產品關鍵尺寸
備注:
1、以上數據是通過各單位提供的數據統計分析并經研討而得。
2、經研討認為AH、BH是較為關鍵的尺寸;CH屬相對關鍵尺寸;D尺寸并非關鍵尺寸。
結構形式的統一有利于復合材料邊框企業供應時的產能互補;減少組件廠生產線冗余調整;關鍵尺寸的統一還有利于產品質量統一穩定可靠、生產質量控制以及產品標準化規模化的發展。
請各有關復合材料邊框企業積極響應,并在產品開發、生產及銷售各個環節推動復合材料邊框結構尺寸的統一和產品質量的提升。
若對上述結構和尺寸有異議,請大家及時提出意見和建議。
中國玻璃纖維工業協會光伏用玻纖制品研發推廣工作組
2025年7月11日





